Artikeln finns inte längre. Du hittar den nya artikeln här: Du hittar den nya artikeln här: 1187414 / Kabelhållare F-fot 1-vägs, metallmellanlägg, FT

Kabelhållare, enkelt metallmellanlägg vfz (FT)

Art.nr. 1156829 | EAN 4012195495314 | E-Nr. 1524092

3 Nm
Produktbeskrivning
Produktbeskrivning
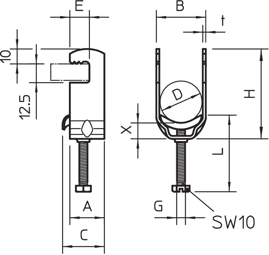
Kabelhållare för fastsättning av kablar och rör. För platt-, vinkel- och U-järn med 4–12 mm tjocklek. Metalltråg med ordentligt rundade kanter som skyddar kablarna.
  • Communautés Européennes, EG-konformitetsförklaring enligt EG-direktiv
  • Plattjärn
  • U-järn
  • CO₂ footprint (PCF)
Teknisk data

Teknisk data

Antal kablar/rör 1
CO2-avtryck (GWP) från vagga till grind 0,1005 kg CO₂e / 1 Styck
Dimension 16-22mm
för 1 kabel H 54 mm
för 1 kabel L 34
för 2 kablar H 78 mm
för 2 kablar L 47 mm
för 3 kablar H 102 mm
för 3 kablar L 47 mm
för rördiameter max. 20 mm
för rördiameter min. 20 mm
för skena med skårbredd (med intervall) max. 17 mm
för skena med skårbredd (med intervall) min. 16 mm
Halogenfri ja
Material Stål
Material i ränna stål
Mått A 23 mm
Mått B 27 mm
Mått C 34 mm
Mått e 13 mm
Mått G (mm) M6
Mått H 54 mm
Mått L 34 mm
Mått t 1,5 mm
Mått x 5 mm
max. Åtdragningsmoment 3 Nm
Med mellanlägg nej
Med metalldosa ja
Med plastdosa nej
Monteringstyp flata profiler
Slagtålig nej
Spännvidd D max. 22 mm
Spännvidd D min. 16 mm
Tillsats material Stål
Tillsats yta varmförzinkad (FS)
Yta varmförzinkad
Alla typer

Alla typer

Typ Spännvidd D min. Spännvidd D max. max. Åtdragningsmoment E-Nr. Art.nr. Mängd Minsta förpackning
2056F M 16 FT 12 mm 16 mm 3 Nm 1524091 1156810
100 Styck
2056F M 22 FT 16 mm 22 mm 3 Nm 1524092 1156829
100 Styck
Ladda ner

Ladda ner

EU-försäkran om överensstämmelse 2056F M 22 FT / 1156829 , 0.12MB , pdf
Ladda ner
REACH försäkran om överensstämmelse 2056F M 22 FT / 1156829 , 0.12MB , pdf
RoHS försäkran om överensstämmelse 2056F M 22 FT / 1156829 , 0.12MB , pdf

2056F M 22 FT / 1156829
Ladda ner